烟雾报警器着实是烟感报警器的别称。。。。。其装置浅易,,,,,,,已经普遍应用于家庭、工厂、写字楼、医院、学校、博物馆等主要防火场合。。。。。

烟雾报警器的事情原理
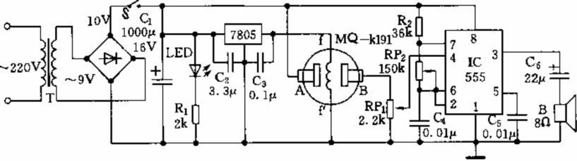
如图所示为浅易气体烟雾报警电路。。。。。该报警器由降压整流与稳压电路、气敏传感元件和触发、报警音响电路等组成。。。。。降压整流与稳压电路由变压器B、桥氏整流电路、集成稳压电源7805等组成。。。。。触发、报警音响电路由可控多谐振荡器(555、R2、W2、C4)和扬声器Y等组成。。。。。半导体气敏元件接纳QM-25型或MQ211型,,,,,,,其适用于煤气、自然气、汽油、醇、醚类及种种烟雾的报警,,,,,,,其要求加热电压稳固,,,,,,,故接纳7805对灯丝电压举行稳压,,,,,,,且要求开机预热3分钟。。。。。

当气敏元件QM接触到可燃性气体或烟雾时,,,,,,,其A~B极间的电阻降低,,,,,,,从而使该电阻与W1的分压上升,,,,,,,响应555④脚电位上升,,,,,,,当④脚的电位上升到lV以上时,,,,,,,555起振,,,,,,,其振荡频率为f=1.44/(R2+2Rw2)C4.图中所示参数对应的频率约为0.6~8kHz.调理电位器W2,使其频率为1.5kHz即可。。。。。响应555的输出端③脚的输出信号推动扬声器Y发出报警声。。。。。
正常情形下,,,,,,,气敏元件的A-B极间的阻值较大,,,,,,,该电阻与W1的分压减小,,,,,,,响应使555④脚处于低电平,,,,,,,555停振,,,,,,,扬声器Y不事情。。。。。
烟雾报警器的功效先容
探测器适用于火灾爆发时有大宗烟雾,,,,,,,而正常情形下无烟的场合,,,,,,,如:饭店、旅馆、教学楼、办公楼、盘算机房、通讯机房、书库和档案库等工业与民用修建。。。。。但不适用于有大宗粉尘、水雾滞留的场合;;;;;;不适用于可能爆发蒸汽和油雾的场合;;;;;;不适用于正常情形下有烟滞留的场合。。。。。
大红鹰·(CHN)官方网站科技专业提供电子产品计划开发,,,,,,,为客户提供芯片选型、计划开发、生产加工、元器件配套等一站式效劳。。。。。更多关于烟雾报警器计划开发的问题,,,,,,,可点击在线咨询或者来电咨询,,,,,,,咨询热线0510-88278755。。。。。